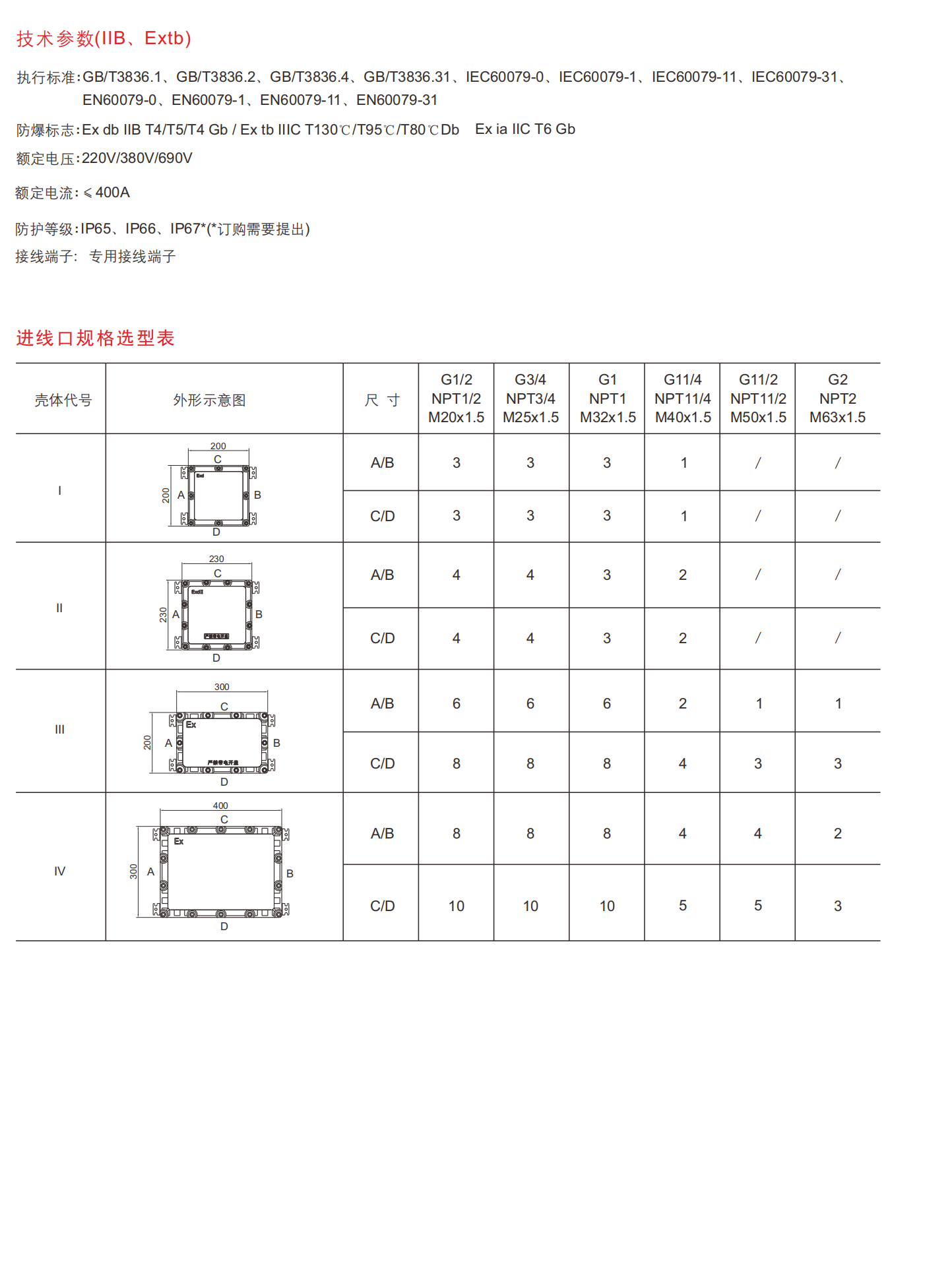
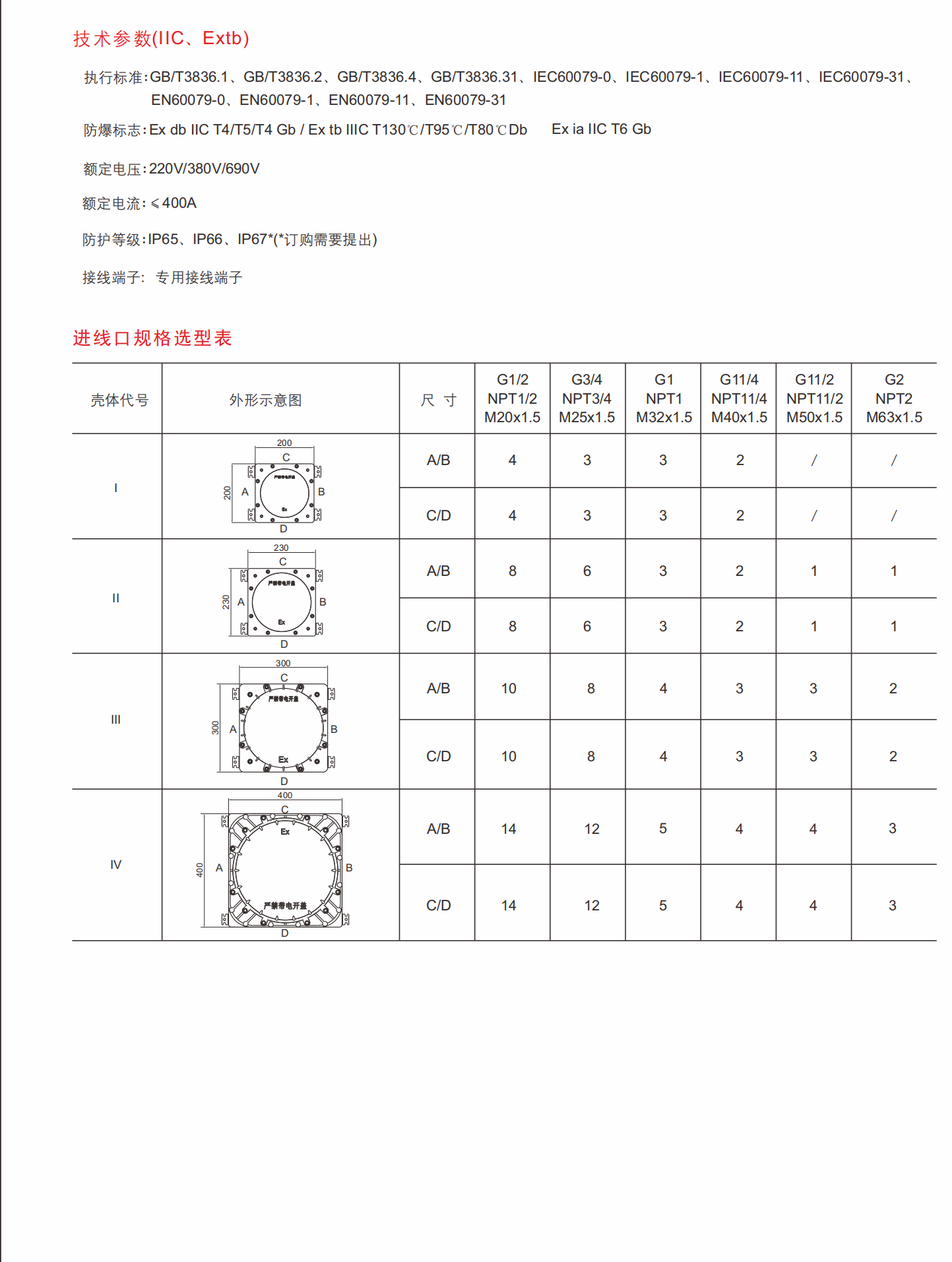
SEJX系列防爆接线箱
SEJX系列防爆接线盒为连接和保护区域0、1、2 (气体) 和20、21、22 (粉尘) 中的电线提供了安全且适应性强的解决方案危险场所。其可定制的设计允许各种电缆入口配置和终端布置,确保在潜在爆炸性环境中安全可靠的连接。SEJX防爆接线盒专为苛刻的工业环境而设计,采用耐用的压铸ZL102铝合金外壳,带有高压静电粉末涂层。提供多种电缆入口选项 (顶部,底部,左侧,右侧),以适应不同的布线需求。
SEJX系列防爆接线盒为连接和保护区域0、1、2 (气体) 和20、21、22 (粉尘) 中的电线提供了安全且适应性强的解决方案危险场所。其可定制的设计允许各种电缆入口配置和终端布置,确保在潜在爆炸性环境中安全可靠的连接。SEJX防爆接线盒专为苛刻的工业环境而设计,采用耐用的压铸ZL102铝合金外壳,带有高压静电粉末涂层。提供多种电缆入口选项 (顶部,底部,左侧,右侧),以适应不同的布线需求。





电子邮件:
sales1@shengyiex.com
电话:
+86-15068425793,+ 86-13326190567
添加:
No.8 Bailian Road, Nanmingshan Street, Liandu District, Lishui City, Jiangsu Province