SEM(D) 系列防爆照明(动力)配电箱
认证区1/2气体 (iia-iiic) 和区21/22粉尘环境,SEM(D) 系列提供双结构安全 (隔爆开关增加安全母线) 炼油厂,化工厂和海洋平台。具有专利的模块化设计,支持可定制的电路布局,防误操作锁定手柄和耐腐蚀涂层 (可选WF1等级)。
认证区1/2气体 (iia-iiic) 和区21/22粉尘环境,SEM(D) 系列提供双结构安全 (隔爆开关增加安全母线) 炼油厂,化工厂和海洋平台。具有专利的模块化设计,支持可定制的电路布局,防误操作锁定手柄和耐腐蚀涂层 (可选WF1等级)。








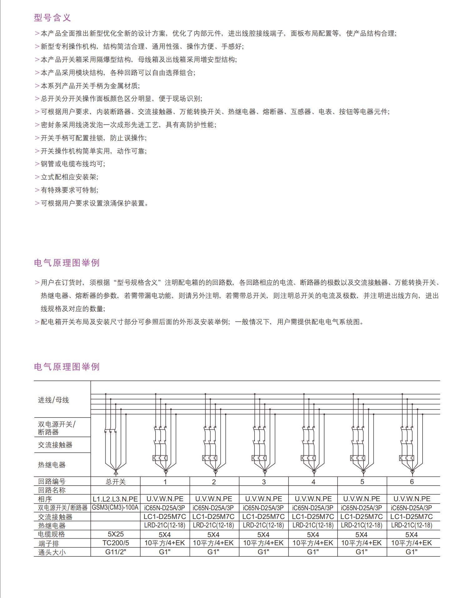
多组件集成: 与断路器 (高达100A),接触器,继电器和电涌保护器兼容。
柔性布线: 带G1 ½ "-G1" 螺纹和IP66-rated密封的导管/电缆入口。
符合GB、IEC、EN标准 (Ex db IIC T6 Gb/Ex tb IIIC T80 °C Db)。
非常适合需要防爆配电和可扩展电路的T1-T6环境
电子邮件:
sales1@shengyiex.com
电话:
+86-15068425793,+ 86-13326190567
添加:
No.8 Bailian Road, Nanmingshan Street, Liandu District, Lishui City, Jiangsu Province