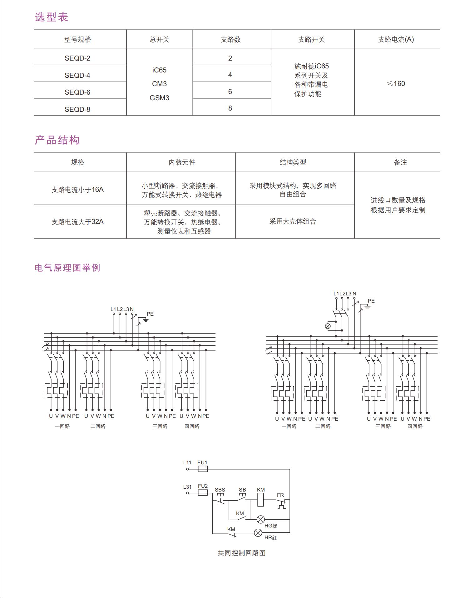
SEQD系列防爆动力配电箱 (电磁启动器)
SEQD系列防爆配电箱-危险区域工业安全解决方案
SEQD系列在1、2、21和22区提供防爆电机启动和配电。它具有一个强大的外壳和可定制的断路器配置 (IC65,CM3,NSX,GSM)。支持各种选项的电机启动和控制。
SEQD系列防爆配电箱-危险区域工业安全解决方案
SEQD系列在1、2、21和22区提供防爆电机启动和配电。它具有一个强大的外壳和可定制的断路器配置 (IC65,CM3,NSX,GSM)。支持各种选项的电机启动和控制。



多重危害合规性: 符合针对气体/粉尘环境的Ex db eb IIC T4/T6 Gb和Ex tb IIIC T80 °C Db认证,符合GB、IEC和EN标准。
高电流容量: 支持高达400A的主电路和225A分支电路 (≤ 690v),适用于要求苛刻的工业应用。
自适应配置: 选择带有G2 “-G4” 入口端口和可定制电缆/钢导管布线的壁挂式、移动式或垂直安装。
耐腐蚀设计: 具有压铸铝外壳,带静电涂层和WF1/WF2保护,适用于极端化学/盐水暴露。
简化维护: 免工具访问和模块化布线 (例如,即插即用插座) 可确保快速部署和升级。
电子邮件:
sales1@shengyiex.com
电话:
+86-15068425793,+ 86-13326190567
添加:
No.8 Bailian Road, Nanmingshan Street, Liandu District, Lishui City, Jiangsu Province